COMMUNICATING BY LIGHT:
A PERSONAL HISTORY
A chronicle of modulated light tests in Australia, from 1968 to 1980.
by Chris Long, May 2005.
The equipment in the photo above includes, from left to right: meccano hand-cranked gramophone with acoustic recorder (out of frame) to cut 78 rpm disc records on wax or celluloid; 'Crosley' 1926-vintage two valve regenerative receiver (above) with 1925-vintage crystal radio below it. Stromberg-Carlson portable battery-valve broadcast band receiver c.1948 used as a BFO for my main transistor receiver. Small multimeter in front of S-C radio. National Panasonic four-band 11-transistor (all germanium!) radio set receiving 160 metres (VK3AML on that occasion) with my Emmco headphones connected to it. The curly wire above the transistor radio was our communal private telephone line to my friends David and Bruce Bowden, who lived around the corner in Pleasant Road. HMV portable wind-up gramophone type C101, circa 1923, with carbon microphone to transmit 78 rpm discs down the phone line. Various broadcast-band and shortwave DX QSL cards and a single-sided disc on the noticeboard above (sung by a Madame Alma Gluck, from memory!). In my left hand, I held the oldest disc record then in my collection, London, circa 1903, of a brass band playing the 'Tancredi' overture. On the right, spare parts for our private neighbourhood line, and an old electrodynamic speaker. This was the only photo of my 'radio shack' taken in the 1960s. It was the 'sleep-out' behind 6 Torring Road, East Hawthorn, five miles East of Melbourne's GPO (Australia). The house was demolished in 1997. Three home units now stand there.
Author's note, 28 April 2005: As this page deals with my own modulated light experiments I hope readers will tolerate these reminiscences before I reproduce my 1979 article on the subject from 'Amateur Radio' magazine:
WHY MODULATE LIGHT?
Today's young Australians can barely imagine the frustration of teenagers in the so-called 'radical' 1960s where electronic communication was concerned. By modern standards, radio was locked in legislative totalitarianism, dominated by the governmental communication monopoly of the Australian PMG's Department, and run on rigid post-colonial British public service lines. Something as innocuous as an intercom line run along your back fence to adjacent friends was illegal - 'a financial threat to the monopoly of the public telecommunications network' in the eyes of the PMG. I discovered this when I set up a neighbourhood phone network to other local kids' places early in 1967! Music transmission via amateur radio had been banned in Australia since 1939, so that the material legally conveyed on any 'wireless' system was limited, particularly for music-mad teenagers. CB radios, mostly of the single channel hand-held variety, were imported in limited quantities and sold freely - but paradoxically they could not be legally licensed or used. You had to be fifteen years old to sit for the amateur radio license, then involving a trifecta of exams in full theory, regulations, and Morse at 12 words per minute. For the theory, discursive essay answers were required, and there was no level of theory exam below the single maximum standard. From a young person's perspective, you had to drag yourself over a field of broken glass to attain a legal entry point. Even then, you had to wait for your sixteenth birthday to operate ham radio legally in Australia.
If, like me, you were 13 years old in 1967 and had electronic experimenter friends nearby, your aspirations to communicate faced years of seemingly endless frustration. There were good reasons to investigate 'alternative' communication technologies - including modulated light.
Along with that we had the Vietnam War; the imminent threat of the compulsory military draft; a conservative government in power since our birth; and British-styled school uniforms unsuited to our hot summers. Australian teenagers of the 1960s had many valid reasons for discontent. The protest movement had its roots in many aspects of Australian society, not just the political issues for which any street march was a convenient excuse...
During the next decade Australians saw the advent of full citizenship for Aborigines (1967); the Vietnam Draft Resister's Union, and its pirate radio station '3DR' (1971); a radical Labor government coming to power (1972); the first Sunbury rock festival, Australia's 'Woodstock' (1972); novice amateur radio licensing (circa 1973); community broadcasting (1974); ethnic, multicultural broadcasting (1975); and the local legalisation of CB radio (1977). Finally, in the 1980s, private carriers in the telecommunication marketplace were allowed to compete with the PMG and its descendant organisation, Telstra. Communication monopolies were broken and the legal restraints on personal electronic communication eased markedly. With the advent of the Internet, how could it be otherwise today?
I would argue that Australia was quite unlike America in the 1960s, in that conservatism reigned through most of the 1960s here, particularly in our communication laws. Australia's 'liberation' - if you could call it that - largely came after 1970...
THE ADVENT OF EDUCATIONAL SOLID-STATE KITSETS
So, how did your average kid with more than average curiosity get into electronics, and more particularly into optical communication, forty years ago?
In the mid-1960s, when the cost of germanium transistors had fallen to a reasonable level, electronic construction kits were made available to stimulate the minds of future radio hams and experimenters. These kits were unlike the single-project assembly outfits then available from Heathkit and Lafayette. Their accent was on education, providing a collection of electronic parts to be arranged in different configurations on an insulating 'breadboard' with spring clips and connecting wires. With the aid of a guidebook explaining the operation of each arrangement, more than twenty different circuits could be built, including Morse code oscillators, simple radio receivers, high-gain audio amplifiers and low-power radio transmitters. At this time, we also had the bonus of a local Melbourne magazine for young experimenters, 'Transistor Kits' published by Colin Witchell - more recently of 'Talking Electronics' magazine fame - from a tiny shop in Church Street, Brighton. For those who were interested, the mysteries of electronics held the key to a new world of technical possibilities - and many of Colin's projects involved light detectors in some creative way...

An old friend from my primary school days, Rowland Legg, acquired a Philips twenty-in-one kit for the Christmas of 1965, and I was given a similar Japanese 'Eleco' kit on the same day. My parents had apparently noted my early aptitude for building crystal radio receivers, so they'd decided to 'push the envelope'. The natural result was that over the next five years Rowland and I spent many afternoons together, unravelling the mysteries of electronic amplification. Whatever time wasn't spent indoors with the kits or on other electronic projects, we spent up on our rooves erecting lengthy wire radio antennas, or trying to get them up on progressively higher trees or supporting masts.
During these antenna-raising sessions, Rowland Legg and I found that we could see each other's homes from vantage points on our rooves. In an attempt to set up a signalling system, we spent many evenings up ladders with kerosene lanterns, using a black card to cut off the light and send messages to each other in Morse code. The standard Morse alphabet seemed rather complex, so Row devised one of his own, following a logical mathematical progression:
This
ALSO proved to be too complex to memorise and,
with light flashes, too difficult to relate to any typed list! We searched
for a more facile means of communication, with sufficient security not to
attract attention from the licensing authorities.
OUR FIRST OPTICAL COMMS - JUNE 1968
In 1967 I became aware of the potential for transmitting speech over modulated light beams when I bought a copy of an ancient, leather-bound book 'Science For All' (1884), containing William Ackroyd's account of Bell and Tainter's then-new 'photophone'. Another early influence was a book published in 1921, 'The Boy Electrician', which gave constructional details of selenium light sensitive cells, Tesla coils, audio transmission by multi-turn induction loops (which I constructed) and even the details of a small X-ray machine (which, thank God, I did NOT construct).
Like many teenagers of the late 1960s, I experimented with modulated light communication using amplifier-driven torch globes or neon lamps for transmitting and CdS photoconductive cells or OCP71 germanium phototransistors for receiving. A page from my bench notebook dated 25 May 1968 - a few weeks after my 14th birthday - shows my earliest plans for an optical system:

On the following weekend, 1st June 1968, a high school friend named Howard McCallum and I set up the planned modulated light system with an incandescent torch bulb for transmitting and a CdS LDR in series with a 9 Volt battery and headphones for receiving, collimating a light beam between the two with magnifying lenses. The results over a distance of 4 metres were loud, but very distorted with frequency doubling effects - a result of our initial attempts to transmit without DC bias on the filament lamp!

Soon afterwards, a Mr A G Murrell of Penola, South Australia, published the details of his simple 'photophone' in the 'A Reader Built It' page of March 1969's 'Electronics Australia' (pps. 91-93). The project's simplicity made it an attractive proposition for young people, and many Australian experimenters of my generation will remember it:


The geographical setting for our own reconstruction of Murrell's device was less than salubrious. In fact, it was one of the most eccentric radio 'shacks' that I've ever encountered. At the bottom of my friend Rowland Legg's back yard, a large wooden packing crate originally used for shipping a Volkswagen car to Australia was set up by Row's father, Ern Legg, as a tiny electronics room - 'the tin shed' as we called it. To keep out the drafts, its walls were papered with out-dated advertising posters for Melbourne's weekly scandal-rag, 'The Truth', obtained from our kindly local newsagent around the corner in Tooronga Road. It was the sort of newspaper that nobody would admit to buying, though the newsagent assured us of its excellent local circulation. From every angle in Rowland's radio shed, headlines in an enormous typeface assaulted the eye: "SHOCK BIKIE FILM" - "BLACK PANTIES MURDER" - "CATHOLIC FATHER WANTS SEX SURGERY"! The piece de resistance among these posters was tactfully hidden behind a cupboard door, its wording being something like - "UNWED MOTHER TELLS COURT: 'HE SHAGGED ME; THEN WE HAD INTERCOURSE' !!" - and I'm still wondering about the implications of that!
In these inglorious
surroundings, and in the backroom of my home shown in the photo at the top of
this web page, we spent many weekends constructing electronics projects of every
conceivable type. Together, we soon had a version of Murrell's photophone transmitter
built into the optics of a small ex-WW2 Aldis signalling lamp with a concave
parabolic mirror of about 7.5 cm diameter. The Aldis housing was eventually mounted (with yards of PVC tape!) on a hot
water overflow pipe protruding from the tiled roof at 1 Cole Street, Rowland's home. 
However, my own initial optical comms tests with the Murrell equipment were done around March 1970 from the the backyard radio shack then occupied by Hughie Paton, VK3ZEP, at 49 Havelock Road, across that house's back garden, down its back driveway and across Torring Road to the glassed-in front veranda of our family home (to the left of the front door in the photo below) - a distance of about 50 metres. The system provided a link in one direction only. These tests were logged on open reel audio tape, so that I could check my audio quality without the need for an assistant. My mother occasionally came onto our veranda to listen to the result and communicate her reaction by waving through the windows. The tape still indicates the fairly good audio quality that one could get with a limited depth of modulation. It also demonstrates the very high hiss level of the OCP71, the actual device used on that day being seen in the photo on the right.

I was out in the open air at the back of the Havelock Road property, across Torring Road from my home, shown above, with the Aldis lamp's glass parabolic reflector optics on a telescope tripod. This had a 3 volt 300 mA torch globe at its focus. I later found that the high frequency response of the system was inversely proportional to the thermal inertia of the filament. The best high frequency response was obtained with lamps of lower rated maximum current, a thin filament with thick lead-out wires to dissipate the heat quickly.
The transmitter gear, consisting of a microphone pre-amp, 3 watt transistorised audio power amp with transformer output, and two size D torch cell battery supplies (one for the amp and one as DC bias for the lamp) all sat in a carton between the legs of the tripod. At the receiving end, a 7.5 cm diameter magnifying lens focussed the image of the Aldis lamp onto an OCP71. I can't remember whether the OCP71 was directly connected to the microphone input of the Sanyo 5" open reel tape recorder (photovoltaic configuration), or whether it was operating into the line input through the usual two-transistor pre-amp (photoconductive arrangement). I seem to remember that both were tried at different times, with a minimal difference of results. An occasional brief buzz can be heard when common Australian blowflies happened to fly through the beam, modulating the light with their wing beats. In the latter part of the extract, a light shower of rain occurred, the droplets falling through the beam producing a sort of soft 'plip-plap' sound. The effect of waving one's hand through the beam was also demonstrated. Whenever the beam was interrupted the hiss level rose substantially - an effect for which, even now, I have no explanation, except that it obviously had something to do with the impedance of the phototransistor source rising as the light input fell.
The audio tape of the test was made on a warm, fairly overcast Saturday afternoon. In the background, Ghera Harris (1896 - 1991) and her architect daughter Berenice Harris (1925 - 2002), who owned the Havelock Road property, can be heard washing dishes after lunch and planting hop bushes in the garden. The First World War veteran aero-engine fitter Reg Harris (1894 - 1979), Ghera's husband, was apparently planning a new ingredient for some home brew! The son of the family, Brian Harris (1936 - 1992), was briefly VK3ZFH in the late 1950s. Brian showed the author how to tune up a transmitter and read an oscilloscope at the age of four, in 1958. This set Chris on the lifelong 'downward' path into technical interests... One of Brian's last jobs involved the design of some of the communications gear for the Hubble space telescope. Suburban life could be interesting with neighbours like the Harris family at 49 Havelock Road!
In this ten-minute mp3 extract from the original 45-minute tape, the author at the age of 51 in 2005 introduces his squeaky-voiced 16-year-old self in 1970. Computer nerds didn't exist then - WE were RADIO nerds! Anyone interested can download the audio log file of this March 1970 test as an mp3 file here:
(Currently broken - coming soon) http://www.bluehaze.com.au/modlight/March1970.mp3
One curious aspect of the germanium phototransistor OCP71 was its extreme infra-red sensitivity. It was possible to transmit audio, as one can hear on the tape above, with the torch bulb running at a voltage so low that it had no perceptible visual output. The germanium detector could resolve the modulated HEAT from the lamp filament. Its work function as a photodetector was very low, which meant that it was inherently subject to large amounts of thermal noise, much more than silicon and very much more than photomultipliers:

On 1 September 1970 we extended the range of the system to transmit audio from Rowland's electronics room ('the tin shed') at 1 Cole Street to my home at 6 Torring Road, East Hawthorn, where I stood atop a ladder next to our backyard bungalow with an an optical unit made of tin cans, like Murrell's in the photo above. The audio link covered about 600 metres, and I could clearly see the light focussed on the OCP71 in the receiver tube. In fact, I could aim the receiver by having the focussed spot disappear behind the square sensitive material inside the phototransistor. The hiss level from the OCP71 germanium phototransistor was gross, the 7.5 cm diameter of our optics was inadequate for the range and the trebles were limited by the thermal inertia of the torch bulb, but this was our first real 'light beam DX'. At the age of 16, the excitement of hearing these results caused my hands to shake, so that my optical receiver's aim was erratic, but I managed to log the whole contact on an audio tape in two 'bursts', with a pause to phone Rowland to tell him that all was being received, midway. Initially, Rowland and his friend Neil Florence were simply relaying the 7:30 pm news broadcast from the Melbourne broadcast station 3AK with its items on the Vietnam War, and floods in New Zealand. As I slowly managed to align the receiver, the transmission gradually rose out of the noise - though not by much! Later, typical teenage music of the day can be heard - The Crystals singing 'And Then He Kissed Me' (with Rowland attempting to interpolate a 1970-vintage form of 'karaoke') and the record of 'Lay Down' sung by Melanie Safka. When Rowland switched to his carbon microphone to announce 'Hello, Chris... this is being transmitted on the first day of Spring, the 1st of September 1970 - and if you can't hear this after all this trouble I'll have to kill you!', I could easily have fallen off the ladder in amazement. We'd finally devised a means of circumventing the illegal usage of a radio transmitter - though to be realistic, with this appalling signal-to-noise ratio the success was only marginal:
http://www.bluehaze.com.au/modlight/1Sept1970.mp3
I've rarely experienced more thrill from experimental work than I did on that night 35 years ago, and I need hardly add that immediately afterwards, adrenalin-charged, I ran non-stop to Rowland's to report our success! The three of us posed for a photo around that time, with me holding a pair of 1920s-vintage headphones which we frequently used. The picture could be titled 'hear evil, SEE evil, DO EVIL' - but mostly, our backgrounds were just too 'Eastern Suburbs' and discreetly shy for any of that!

OPTICAL COMMS IN SOUTH AUSTRALIA - 1968 TO 1972
Elsewhere, other Australian experimenters were trying the potential of atmospheric optical communication more seriously. In Adelaide during 1968, my future collaborator Mike Groth (currently VK7MJ, then VK5ZMG) and a lab assistant friend, Stewart Powell, built a pair of optical communication units in the suburb of Hammersmith using torch globes and OAP12 germanium photodiodes. They had a maximum range of about 1 km, and, as Mike puts it, "awful fidelity". Mike's spare time for optical tests was limited at the time by the demands of doing the third year of a BSc - with a new wife.

However, in 1969 Mike Groth did his Honours in Adelaide, and one of the course projects in that year involved modulated light. He explained the subsequent events to me in a letter dated 28 February 1988:
"The project involved the evaluation of modulated light as a means of transmitting geomagnetic data over short distances to avoid wire links to the remote sensors, which tended to introduce hum loops if not carefully balanced. This was a golden opportunity to learn the theory behind optical links and search back through the literature at the University Library. It became obvious that it would be no problem to transmit data over a few hundred metres on a clear night using the new infra-red diodes as sources, but the reliability of the link was unknown, especially as it was to be used at a field station in the Adelaide hills, where fogs and mists were common. I built an infra-red link at 930 nm which measured the path loss over the winter and spring of 1969, and my estimates of the path losses [in the 1987 'Amateur Radio' article 'Photophones Revisited'] were based on this data.
Optical communications fell into the background for the next 16 years, as I spent 1970 in New Guinea teaching and moved to New Zealand in 1971 to do postgraduate work at the University of Otago in Dunedin. I returned to Australia at the end of 1979, but was rather inactive in experimentation until 1985, when I decided to write my experiences as a review of the possibilities of optical links. The effort took nearly 18 months..."
Mike's resultant article published in 1987 with revisions from 2005 may be found at:
http://www.bluehaze.com.au/modlight/GrothArticle1.htm
The most powerful amateur atmospheric optical communication tests in Australia around 1970 were done by an Adelaide team and reported in an extraordinary Tasmanian magazine. The Hobart-based 'Electronics Exchange Bulletin' was published around this time by the Tasmanian team of Leo Gunther VK7RG and Rodney Reynolds VK7ZAR (now VK3AAR). Their extraordinary magazine encouraged articles by local experimenters on every conceivable topic related to electronics and communications. Through the pages of 'EEB' between August 1968 and October 1972, two university students, Kingsley Burlinson VK6ZEA and Robert Averay VK5ZGE described their experiments in modulating fluorescent and mercury vapour gas discharge lamps, achieving atmospheric ranges in excess of 3.5 miles (about 5 km), just outside Adelaide in valleys shielded from the city lights.



Though their equipment was massively bulky by modern standards, Burlinson and Averay pursued a novel line by driving their gas discharge lamps with audio-modulated 10 KHz pulse width modulation from 'class D' switching output transistors, thereby avoiding linearity and modulation efficiency problems. In this way, the performance was similar to that of the celebrated (at the time) class-D British Sinclair 'X-20' transistorised audio amplifier of the mid-60s. I was not aware of the reports of these tests until the start of 1976, otherwise I may have skipped the next few steps in my own tests...
OUR SWITCH TO GAS DISCHARGE LAMPS
A search for better modulated light sources than incandescents drew my attention to neon lamps. Gas ionisation is a much faster process than the incandescent heating of a filament. In those days, neons were cheaply available in any size from a pea lamp to a full size "beehive" bulb from one marvellous source. Melbourne experimenters active in the 1960s will remember Waltham's Trading Company in Elizabeth Street, Melbourne. At the end of a narrow stairway leading down from the pavement was a rather grubby Aladdin's cave of tables laden with cable, war surplus junk (every war except Vietnam), boxes of valves and khaki-painted items of indeterminate origin. Cash-strapped adolescents milled about with down-turned eyes, slowly sifting row after row of cartons and crates full of technical cast-offs of every description. I acquired several boxes of neons there, along with various other gas discharge devices to try. Many years later, I discovered that some of these contained traces of radioactive material to assist ionisation. Let the buyer beware!


I initially wired a neon lamp into the anode circuit of a Philips battery triode from the 1920s, type B406. The orangey-pink glow around the cathode on these neons is reasonably intense, though it doesn't even approach the intensity of modern LEDs or lasers. After setting up the neon modulator I was rewarded with near perfect audio from my OCP71 for the first time. Fortunately, a parental veto on building mains-fed power supplies ended on my fifteenth birthday (8 March 1969), so the required 300 volt rail was no problem.
SIDETRACK INTO 'MECHANICAL' TELEVISION - 1971
I used the neon modulator and OCP71 as the basis for a simple television system in 1970, by adding a couple of Nipkow scanning discs to the outfit. This diverted me from the modulated light communication tests for a few years as I delved into all of the pre-war Baird television texts to bring the pictures to an acceptable standard. This brought me into collaboration with the late Dan Van Elkan (b.1952 - d.1986, call sign VK3UI) and Tony Sanderson (b.1945, VK3AML), now the moderator of the 'bluehaze' web site. They were the 'ringleaders' of a larrikin group of amateurs operating home built AM transmitters on the 160 metre band, then occupying 1800 KHz to 1860 KHz. These guys' amateur radio interests were unique and individualistic. The majority of conservative hf (shortwave) operators had a narrow and obsessive emphasis on 'communication quality' modulation, usually 300 Hz - 3 KHz, clipped, non-linear and cruddy. Dan and Tony were both hi-fi enthusiasts. Their transmitters were relatively broadbanded and immeasurably low in distortion, exceeding the audio specifications of many broadcasters. AKG or Western Electric microphones and broadcast-quality audio peak limiters with dual time constants were involved. The design and construction of their modulation transformers and amplitude modulators was nothing short of an art. Their 160 metre receivers, also, employed biased, low distortion envelope detectors working through carefully designed audio amps into enormous speaker systems with vented enclosures. The content and audio quality of their in-depth conversations on communications technology made listening to their transmissions an absolute pleasure. Even their standard of audio compression served to convey the listener into the acoustic environment of their homes - an underestimated aspect of creating a realistic auditory illusion. Their activity ruffled quite a few amateur operators' feathers at the time... which only increased my youthful admiration for both of them.
I actually met Dan (3UI) - dare I admit it - on the air on 31st December 1969, as the result of a brief dalliance I had with pirate radio transmissions on 1.8 MHz. He lived in Hawthorn only a mile from my home, near the corner of Glenferrie and Riversdale Roads. Naturally he was among the first to hear my feeble and unstable transmissions, and he encouraged me to experiment further to gain the knowledge to get the amateur 'ticket'. We were both given a 'stop it or else' ultimatum by an over-zealous radio inspector known to the locals as 'Uncle Ugh' (many will still know who I mean), but Dan and I became great friends as a result. Dan was about two years older than I, and was highly influential on the immediate future course of my life. As the year 1970 progressed, I found myself spending more time with amateur radio friends and less with Rowland and the old school mob. Rowland eventually carved out a very successful career in the Victorian Police Force (ironical, isn't it?), and I believe he still does, but his early interest in electronics declined...
In subsequent decades, the amateurs have legislated themselves into 'band plans' with 'accepted modes' and 'accepted bandwidths' for various frequency segments. As a result - and I will express an opinion here - they have systematically eliminated the legal basis for the type of justifiable experimentation that 3AML and 3UI used to undertake. Many 'hams' are now operators of commercial 'black box' transceivers which can elegantly provide single channel telephone quality (or worse) on every available band for $4000+, but which often cannot be properly adapted to any other mode or form of experiment. From my perspective, the result is that amateur radio has had progressively less attraction as a hobby, and I'm sure I'm not alone in expressing this opinion. For my money, if you legislate against experiment you kill the only attraction that amateur radio ever had. So long as the emissions do not spread beyond the amateur band edges, what is the problem? Anyone who pushes the hoary old argument that "bandspace is at a premium, so transmissions should be of the minimum possible bandwidth" must be deaf and blind to the steadily declining level of amateur band usage over the past fifteen years. Who is to say what amateur radio should entail, so long as it provides training and encourages experiment? Many people wonder why I've never bothered to pursue an amateur radio license. I hope that I've justified my position. Thank God for alternatives with more freedom of content and bandwidth, like light beam communication!
Dan (3UI) and I eventually arranged test transmissions of narrow band television using mechanical disc scanners over his 160 metre transmitter early in 1972. The next couple of years gave all of us a good grounding in the principles of light detection and modulation, video amplification and optics.

Eventually, with D B Pitt and others in the United Kingdom, we formed the Narrow Band TV Association, still in active operation and now represented on a website:
One particularly kind donation to this mechanical TV
scanner project was provided by the late Kevin Duff, VK3CV (b.1927 - d.1996). Kev worked in
telecine at Melbourne's government TV station, ABV channel 2 in
Elsternwick, operating an
archaic monochrome Marconi 35mm film scanner. This was originally said to have been designed for the 405 line British service
and used at BBC TV's original studio at the Alexandra Palace in London. By 1972 it was only being used for 30 minutes a day,
at about 4:00 pm, to broadcast 35 mm film episodes of the children's serial
"The Cisco Kid"
- the only regular program material they had which still used that
gauge of film. The EMI 6097 photomultiplers in this Marconi telecine
were written off as soon as
they developed spots on their photocathodes - Kev called them 'dynode
spots' - but they were still quite serviceable for light detection.
In 1972 Kevin saved
some of these from the dustbin for us.

Dan (3UI) and I adapted the EMI 6097 photomultiplier for use in our experimental camera and for the modulated light receivers. Its sensitivity was such an enormous quantum leap from the OCP71 that it opened a whole new world of technical possibilities to us. Further photomultipliers were acquired from the late A H 'Mac' McKibbin, VK3YEO, who used 931A's for slow scan television scanners in those days.
MOD LIGHT ON 160 METRES - FIRST CROSSBAND TESTS 1974
During the Autumn of 1975, I built a modulated light communication link that was used briefly between two members of the 160 metre AM group, Paul Higgins (then VK3BEK, now VK3EN) and Dave Stewart (VK3ASE). Both had radio shacks at first floor level, facing each other across suburban Glenhuntly with an uninterrupted line-of-sight, and separated by about 700 metres. The modulator from my Baird mechanical television receiver by then used a 6L6 beam pentode in series with the neon, which was re-mounted at the focus of a rough 30 cm moulded glass parabolic reflector supplied by Tony (3AML). The reflector had originally been used in a traffic signal.

This optical transmitter was placed on Paul's balcony in Glenhuntly Road, on the corner of Clarke Avenue. The receiver was placed in the attic window of Dave's QTH in Burrindi Road, Caulfield South. It used a 13 cm diameter magnifying lens focussing onto a 0.5mm focal plane aperture, with a 931A photomultiplier catching the transmitted light behind it.

Using Dave's 160 metre amateur transmitter as the return link - the ultimate in split frequency operation
- Paul managed to carry on a crossband contact through the neon lamp. Sig/noise was poor owing to the very
poor spectral match between the orange neon and the blue sensitive photomultiplier. The neon was
pushed beyond its current ratings, so that its bulb was rapidly blackened by cathode
sputtering, but at least it could be fully modulated. I was later able to
measure the bandwidth and was astounded to find that the neon could be modulated
to around 500 KHz, which was a terrific improvement on the torch bulbs. Distortion
was severe. We were pushing the modulation quite hard, owing to the poor sig/noise
ratio. A sample of the audio log of the contact is currently available on Dave's
web site. The results were sufficiently good for us to realise that we were on the
right track for further improvement. The contact was logged on tape and an
extract can be heard on VK3ASE's web site:
[ Actually, Dave seems to have removed this one for now. (Tony, VK3AML) ]
The main problem to be overcome was the low characteristic intensity of the neon discharge. We also needed a source with significant blue output, to match the spectral response of the photomultipliers, which could only detect violet, blue or green light. Development was accelerated by the involvement of another member of the 160 metre cross-band contact clique, John Eggington (then VK3ZGJ, now VK3EGG) whom I met at the end of 1975.
BREAKING THE ONE-MILE BARRIER - DEC. 1975.
At my home, I was fortunate in having an elevated position near the top of a hill in East Hawthorn, South of Camberwell Junction and quite close to the high copper dome of 'Our Lady Of Victories' catholic church. Standing on our roof, the view of downtown Melbourne to the West and of the suburbs around to the North was unobstructed, encompassing all of Hawthorn, Kew, Toorak, Kooyong as well as parts of Malvern, Richmond, Abbotsford and Northcote in an unbroken 120 degree arc. Just on my side of the Yarra, on the top of a rise in clear view, was VK3ZGJ, with his shack facing me at the third floor rear of an old Victorian mansion at 29 Shakespeare Grove, West Hawthorn. The topography was ideal for optical communication tests, exactly two miles (about 3.5 km) on an East-West path.
|
|
(Click for bigger pic) |
In the early 1970s, before I met him, John (VK3ZGJ) constructed a series modulator for fluorescent lamps, consisting of several 807 output valves in parallel, with the fluoro in the anode return. He also built a portable light dependent resistor (LDR) receiver with a FET preamplifier. The LDR operated with bias into a load of 10 megohms or more, and with its low noise preamplifier it had much better sensitivity and spectral match to a fluorescent lamp's output than my old OCP71. You had to arrange for the image of the fluoro to focus precisely onto the gap between the conductive combs on the LDR's sensitive surface. This involved peering at the LDR through a 'spy-hole' in the optical mounting while deftly manipulating the receiver's alignment.
LDRs have a very slow response, rolling off at least 6dB per octave above 50 Hz. Treble boost could only partly correct the problem, as John discovered. My photomultipliers provided the answer to John's receiver problems, just as his fluoro transmitter modulator permitted advances over my feeble neon. We pooled resources over the next five months.
Late in December 1975, John and I got the communication system working between our homes, using a vertically mounted fluorescent lamp on the roof which "broadcast" light in all directions. The modulator consisted of several (four, I think) type 807 beam pentodes feeding the 40 watt fluoro in their anode circuit. A rail voltage of about 600 volts DC was applied to the lamp. We did not use a lamp starter or a ballast choke to operate our fluoros. Instead, we had a novel starting arrangement consisting of a band of aluminium foil wrapped around the glass near the cathode end of the tube, which was connected to the secondary of an automotive spark coil. To start the discharge, you'd apply the 600 volt rail, then energise the ring around the cathode by applying a battery briefly to the spark coil primary. The high-voltage spikes applied to the glass near the cathode started a barely perceptible glow discharge inside that end of the tube, which would immediately spread the whole length of the tube under the influence of the 600 volts DC rail. Standing current was varied by altering the value of the cathode resistor on the series 807's. The filaments at either end of the tube were never heated up with this arrangement, which appeared to extend the working life of the tube.
Our first 40 watt 'fluoro' test transmission came just after the Christmas of 1975. It was in one direction only, with John transmitting and me receiving. 3ZGJ managed to arrange some quite elaborate music programs interrupted by announcements, one of which I recorded on tape. In the early 1970s a British group, calling themselves "Radio Love" (hey man, real groovy) had proposed a system of local light beam broadcasting. This appears to have been an attempt to circumvent the heavy hand of British officialdom, which at that time had forced several independent broadcasters (eg 'Radio Caroline') to transmit from ships anchored in International waters off the English coast. Nothing was heard from the group after the publication of its initial plans, including the diagram below which neatly summarised their ideas:

John 3ZGJ, in imitation of this 'Radio Love', jokingly announced his programs as being transmitted from "Radio Hush". The name was a bit less poofy, yet still retained the essential atmosphere of the legal fringe-dweller! Later we duplicated the system to provide full duplex communication (simultaneous transmit and receive) in both directions. A typical extract from these fluorescent light transmissions in the last week of December 1975 can be heard on this tape, recorded from the photomultiplier output at my end of the link, two miles from the transmitter:
http://www.bluehaze.com.au/modlight/RadioHushDec75.mp3
We used no reflector or collimator with these fluorescent lamps. The photomultiplier receivers only managed to achieve 15 dB sig/noise over the 3.5 km range with this arrangement. Fluorescent lamps had more than their fair share of problems as a modulated source. Their phosphor coating had time lag, the persistence limiting the upper modulated frequency to about 5 KHz. The time lag was not constant with the wavelength of the emitted light. The red phosphor components had very long persistence, while the blue phosphor was much faster. The system's upper audio frequency limit therefore varied with the spectral response of the detector, but with a blue-sensitive photomultiplier it was more than adequate for audio.
The fluorescent lamp discharge would wander and 'snake' inside the tube, especially at switch-on, interfering with the modulation. For some reason which we could never explain, the output at the cathode end of the fluoro, and only at the cathode end, was modulated by an erratic whine at about 400 Hz, possibly caused by the discharge hopping about from one part of the coiled cathode filament to another. This always set a definite limit to the sig/noise achievable, even where there was plenty of light signal to demodulate.
The audio frequency response of the fluorescent tube was unexpectedly uneven, an effect undoubtedly caused by acoustic resonances of the modulated mercury plasma column within its tubular enclosure. One could certainly hear a faint acoustic radiation from the tube while it was in operation, as these acoustic waves actually penetrated the glass walls. Certain modulation frequencies, obviously related to 'organ pipe' resonances within the fluoro tube, would cause the mercury discharge to extinguish, or to break up into a series of spaced glow discharges along the tube. I later found that this problem had been noted by N C Beese, who wrote a chapter on "Light Sources for Optical Communication" in the book 'Infrared Physics' (Pergamon Press Ltd., London, 1961, Vol. 1, pps 5 - 16). To quote from Beese (pps 13 - 14):
"Enclosed arc lamps operated on a.c. power in the audio-frequency range, or on d.c. and modulated by a.c. currents may cause sound vibrations to be produced within the arc chamber. They are caused by thermally induced variations in gas pressure that result from changes in current density in the arc. At certain critical frequencies, resonance of appreciable intensity is built up by reflection from the bulb walls. The size and shape of the bulb, kind of gas or vapour filling, temperature and operating conditions determine the frequency of the plasma oscillations that are similar to standing sound waves in the discharge. Ordinarily this phenomenon is not observed because lamps are operated on d.c. or low frequency a.c. with sufficient ballast to ensure stable operation. In long tubes the discharges assume a constricted, snakelike appearance at the critical frequencies and are caused by sound energy reflected from the ends of the bulb. In a spherical bulb the sound waves spread to the bulb walls and are then focussed back upon the arc to produce instability at the electrodes [...]"
Beese goes on to analyse a Xenon discharge lamp 1.5 cm in diameter and 13.3 cm long with 3 Amp d.c. current applied with a 2 amp a.c. modulation applied. He noted:
"[...] the arc showed violent distortions at 2250 Hz but was quiescent at 2000 Hz and 2500 Hz. With 5 A d.c. and 3 A a.c. modulation at 2500 Hz, the discharge again showed pronounced disturbances, but was stable at 2300 and 2700 Hz. The instability may start at either electrode, whereupon the discharge constricts into a thin luminous ribbon with sinusoidal shape, and the voltage increases because of increased arc length. [Instability at] harmonics of the fundamental frequency may also be observed[...]
"[...] In a spherical bulb with electrodes at the centre [like a Xenon arc] acoustical resonance occurs when the bulb diameter is equal to one-half [of the acoustic modulation] wavelength [...] An arc centred in a spherical bulb will literally 'blow itself out' by its own sound waves if any of the strong resonance frequencies are applied to the lamp for an appreciable time [...]
[...] In a low pressure discharge lamp [eg fluorescent], assuming an average gas temperature of 250 degrees Centigrade, the velocity of sound in mercury vapour was 19,000 cm/sec, calculated by Laplace's formula. At 600 Hz, the wavelength equals 31.7 cm [...] Maximum disturbance or turbulence at the electrodes occurs at a half wavelength from the nodes which are at the ends and centre of the lamp."
Owing to the low intensity and extended source area of the fluorescent lamp, the radiated flux could never be properly collimated. These limitations, and the frequency response irregularities clearly indicated that our light transmitter needed a change of approach.
At this point, Rodney Reynolds VK3AAR drew our attention to EEB's publication of the earlier work of Burlinson and Averay, whose modulator circuit and mercury arc source was an entirely novel approach. Their optics, however, were quite crude, not nearly directive enough for our work in suburban Melbourne, where street lights and illuminated advertising signs proliferate.
FROM FLUORESCENT LAMP TO MERCURY ARC
We needed a higher intensity source, no fluorescent coating, and an output rich in blue light to match the photomultipliers. From the electrical supplier Arthur J Veall in Bridge Road, Richmond, John and I obtained some Philips high pressure mercury arc lamps in January 1976, of the type used for factory lighting. Most of these had inconvenient fluorescent coatings, except for the smaller lamps below 100 watts output, which unfortunately had frosted glass envelopes. We bought a couple of HP80 mercury lamps rated at 80 watts. Driving these was a real problem. The fluorescent lamps that we previously used were low current, high voltage devices, modulated simply with standard output valves. By comparison, the high pressure mercury arcs ran at medium voltages (30 to 100 volts) but with high current (0.5 to 3 amp standing current), and they exhibited a severe negative resistance characteristic - their voltage drop decreased sharply with increasing current flow.
Other problems arose owing to the instability of the mercury arc. Its striking voltage varied widely with ambient temperature, and its standing current varied with time as heat caused the mercury to vaporise and the arc pressure increased. At its peak, the quartz arc tube had to withstand internal pressures of around 30 atmospheres, so it was a device that you had to treat with great respect!

The slightest overmodulation peak would extinguish the discharge, and the whole device then had to cool before it could be re-struck at a reasonably low voltage. The lamp polarity also had to be reversed at frequent intervals with a DPDT switch to avoid premature cathode failure by ionic bombardment. The lamps were designed for AC operation, where the effects of cathode heating were shared 50 times per second by both electrodes. In spite of using DC bias on the tubes, for which they were not designed, we managed to get a few hundred hours out of them, which was OK when the lamps only cost $7 apiece. Today they cost about ten times that.
The modulator had to steer the current passing to the arc. Quiescent class-A amplifier conditions demanded that at least half of the supply rail should be dropped by the series modulator, the remainder being dropped by the mercury arc. The negative resistance of the arc was our stumbling block. As the current through the arc increased its voltage drop decreased. This dragged the voltage applied to the series control device up towards the rail voltage as current reached a maximum. With 200 volts-on the rail and a peak current approaching 5 Amps, no transistor commonly available in 1975 could handle the job. They could not take the high peak currents simultaneously with the high emitter-collector voltage that this load with its negative resistance would present to the output transistor in class A. We had some expensive pyrotechnic displays of 2N3055 and BUX80 transistor failure owing to this secondary breakdown point being exceeded. Like many foolhardly experimenters, we rarely used fast-blow fuses in our gear. Youthful arrogance, I guess!
The elegant solution, suggested many years later by Rod Reynolds (VK3AAR), was to run the control transistor in parallel with the arc, with a single series resistor up to the supply rail from both. In that configuration, the transistor passed maximum voltage at minimum current, and vice versa, so that a much smaller transistor could be used than in the series modulator configuration, the tradeoff being only a decreased overall power efficiency. However, at the age of 21 in 1975 - and John was 20 - neither of us thought of that...
Instead, we used a class-A vacuum tube amplifier of elephantine proportions in series with the arc. The power supply was capable of 200 Volts DC at three Amps, and the reservoir capacitors totalled 1500 µF at a 350 Volt rating! For the modulator, four hefty 6080 or 6AS7 high current, low gm triode regulators were placed in parallel with low-value balancing resistors in their cathode returns. The anodes had a nasty habit of glowing a dull red when the arc was initiated, as it took a few minutes for the mercury discharge to run up to its usual 100 Volts drop. During that time, the major part of the supply rail was applied to the valves, which were sent beyond their dissipation limit. Under these conditions, one could see alarming high resistance 'spots' scintillating with a bright and sparkling yellow light on the massive oxidised cathode surfaces of the 6080s. I always anticipated a 'bang' but somehow I was always lucky...


Each 6080 filament consumed 2.5 Amps at 6.3 Volts. The valve heaters alone consumed a total of 63 watts! It was all brute force, ignorance, bulk power and heat! Fan cooling was obligatory. We used a domestic fan of 1928 vintage with a bum sleeve bearing, which rattled constantly during QSO's. Nevertheless the system worked remarkably well, and thanks to Melbourne's many disposals stores, it could be built for a few dollars. Not so now! Electronic disposals stores of that type are now mostly a thing of the past.


This mercury arc transmitter was rather unstable in operation, prone to allowing the arc to drift into a slow thermal runaway. To correct this tendency, one had to track the current of the arc by manipulating the grid bias of the output tubes - hence the reason for the metering of arc current and voltage in the modulator circuit, above. The temperature of the quartz bulb was the most important variable, as this and the arc's standing current were closely related. The bulb temperature controlled the mercury vapour pressure in the quartz phial, and therefore the electrical resistance of the arc. With insufficient average current flow, the heat of the arc would be too low to maintain the mercury vapour pressure, causing the voltage across the arc to slowly fall, in turn leading to a further fall of current. If the standing current was too high, the arc would become so hot that it not only became dangerous, but was impossible to modulate fully. One could not leave the device unattended for more than about five minutes. Arc current would vary, particularly in the time just after 'switch on', as the log record below clearly indicates. Warm-up would take around 15 to 30 minutes before the system finally settled into static current conditions, with the heat pumped into the arc electrically equalling the heat lost to the surrounding environment. The average standing current varied with the audio program content and with the symmetry of the audio waveform applied.
A typical example is provided by the following log that I took of the arc transmitter's electrical status, measured through the evening of Saturday 31st January 1976. Operation on that night was best described as 'intermittent'! Eventually, in response to 3ZGJ's insistence that I add a negative peak clipper to my modulator, I fitted a diode to the grids of the output tubes to do the job!:
|
TIME: 6:05 pm |
ARC STATUS: 80 V @ 0.42 Amp, 33.6 Watts |
REMARKS: TEST TRANSMISSION ONLY before nightfall. Arc has been on for 45 mins of warm-up, approx 60% peak modulation, with music from 78 rpm discs (avoiding copyright issues!). Ambient temp. 350 C. VK3ZGJ not listening yet. Power and heater transformers are both hot to touch, but OK. |
| 6:11 pm | 80 V @ 0.4 Amp, 30 Watts. | DPDT switch - polarity change at 6:12 pm. |
| 6:12 pm | 82 V @ 0.38 Amp, 32.2 Watts. | |
| 6:16 pm | 85 V @ 0.375 Amp, 32 Watts. | DPDT switch - polarity change at 6:18 pm. |
| 6:19 pm | 82 V @ 0.38 Amp, 32.2 Watts. | 10 Amp rated heater transformer rather hot. |
| 6:22 pm | 80 V @ 0.41 Amp, 32.8 Watts. | Music tape rewound to restart. Ambient temp. 340 C. DPDT switch - polarity change @ 6:24 pm. |
| 6:24 pm | 78 V @ 0.41 Amp, 32 Watts. | |
| 6:27 pm | 86 V @ 0.36 Amp, 31 Watts. | Ambient temperature 330 C. Polarity change @ 6:30 pm. |
| 6:30 pm | 80 V @ 0.42 Amp, 33.6 Watts. | |
| 6:32 pm | 78 V @ 0.41 Amp, 32 Watts. | Heater transformer uncomfortably hot to touch. Power transformer for HT also rather warm. |
| 6:35 pm | 78 V @ 0.4 Amp, 31.2 Watts. | Ambient temperature 330 C. Polarity change @ 6:38 pm. |
| 6:39 pm | 88 V @ 0.35 Amp, 32.8 Watts. | CLOSE-DOWN AT 6:41 pm to wait for nightfall. Ambient temperature 330 C. |
| ---------- | OFF-AIR FOR 90 MINUTES | --------------------------------------------------------------- |
| 8:10 pm | SWITCH ON | Slight audio-frequency oscillation from arc at power-up, falling in pitch to stabilise. Using domestic fan for forced air cooling of entire modulator. |
| 8:11 pm | 24 V @ 0.4 Amps, 9.6 Watts. | Polarity changed repeatedly and often to 8:14 pm. |
| 8:14 pm | 32 V @ 0.4 Amps, 12.8 Watts. | At 8:15 pm arc was accidentally de-struck by application of excess modulation. |
| 8:15 to 8:20 pm | Arc cools down for an attempt at a re-start. | |
| 8:20 pm | 20 V @ 0.4 Amps, 8 Watts. | Approaching storm seems imminent - concern for damage of lamp unit in tree? |
| 8:21 pm | 24 V @ 0.45 Amp, 10.8 Watts. | Modulation applied at 8:22 pm (music - Savoy Havana Band 1920s). Polarity of arc reversed several times with DPDT switch. |
| 8:24 pm | 30 V @ 0.42 Amp, 12.6 Watts. | Polarity reversed several times by 8:26 pm. |
| 8:28 pm | 40 V @ 0.4 Amp, 16 Watts. | Polarity reversed at 8:30 pm. |
| 8:30 pm | 45 V @ 0.4 Amp, 18 Watts. | Polarity reversed at 8:32 pm. |
| 8:32 pm | 55 V @ 0.4 Amp, 22 Watts. | Polarity reversed at 8:34 pm. |
| 8:34 pm | 60 V @ 0.4 Amp, 24 Watts. | |
| 8:38 pm | 65 V @ 0.4 Amp, 26 Watts. | Many polarity reversals, and modulation percentage increased. |
| 8:40 pm | 73 V @ 0.4 Amp, 29.2 Watts. | |
| 8:43 pm | 79 V @ 0.4 Amp, 31.6 Watts. | |
| 8:45 pm | 80 V @ 0.4 Amp, 32 Watts. | |
| 8:48 pm | 80 V @ 0.4 Amp, 32 Watts. | |
| 8:50 pm | 72 V @ 0.4 Amp, 28.8 Watts. | Many polarity reversals. |
| 8:54 pm | 80 V @ 0.4 Amp, 32 Watts. | |
| 8:59 pm | 83 V @ 0.38 Amp, 32 Watts. | |
| 9:01 pm | 89 V @ 0.38 Amp, 32 Watts. | Polarity reversal. Higher modulation percentage applied. |
| 9:06 pm | 80 V @ 0.4 Amp, 32 Watts. | |
| 9:25 pm | 78 V @ 0.42 Amp, 32.8 Watts. | |
| 9:27 pm | 76 V @ 0.4 Amp, 33.4 Watts. | It's raining (lightly)! Arc lamp in tree cooling? |
| 9:43 pm | 76 V @ 0.4 Amp, 30.4 Watts. | Running 3ZZ program 'A Century Of Sound' Pt. 20 from tape. Test. |
| 9:45 pm | 77 V @ 0.35 Amp, 26.95 Watts. | Slight grid volts adjustment - output power has dropped slightly. |
| 9:47 pm | 73 V @ 0.4 Amp, 29.2 Watts. | Polarity reversal. |
| 9:51 pm | 80 V @ 0.37 Amp, 29.6 Watts. | Rain has stopped. High winds - receiver swinging off target. Polarity reversal at 9:56 pm. |
| 10:00 pm | LAMP OUT, wait for cooling of arc tube to permit re-strike. | Voltage surge on mains (mum's washing machine!) flashed arc out! |
| 10:04 pm | 20 V @ 0.4 Amp, 8 Watts. | RE-STRUCK ARC at 10:04 pm. Many polarity reversals. Running my 3ZZ program 'A Century Of Sound' Part 21 ('World War One') from tape. |
| 10:07 pm | 30 V @ 0.4 Amp, 12 Watts. | |
| 10:10 pm | 37 V @ 0.4 Amp, 14.8 Watts. | |
| 10:15 pm | 48 V @ 0.4 Amp, 19.2 Watts. | At 10:20 pm the arc struck out due to over-modulation when I called 3ZGJ to come up on 6 metres. |
| 10:25 pm | 20 V @ 0.4 Amp, 8 Watts. | Re-struck arc as soon as it became cool enough to do so (after 5 mins cool-down). |
| 10:29 pm | 30 V @ 0.4 Amp, 12 Watts. | |
| 10:32 pm | 39 V @ 0.4 Amp, 15.6 Watts. | |
| 10:35 pm | 44 V @ 0.4 Amp, 17.6 Watts. | |
| 10:43 pm | 50 V @ 0.4 Amp, 20.0 Watts. |
| 11:05 pm | ARC OFF (TEMP CLOSE). | Overmodulated and killed it! (I dropped the damn mike - duhhh!) |
| 11:35 pm | Surge - switched off. | A bit colder outside following storm, slight trouble getting the arc struck. Put grid bias on 0 Volt, flicked polarity switch back and forth, came on with excessive current. Try again when cool and stable. |
| 11:52 pm | 60 V @ 0.4 Amp, 24 Watts. | At 12:35 am, now Sunday 1st February 1976, switched arc off after Channel O broadcast (off to watch TV awhile!) |
| 12:40 am | Back on. | Quick talk to 3ZGJ following TV break. |
| 12:45 am | Off again. | |
| 1:07 am | Switch on. | Relaying 160 metres, VK3ASE and VK3BEK, with 30 KHz subcarrier interference, to provide 3ZGJ with spatial diversity reception on 1840 KHz. |
| 1:32 am | 75 V @ 0.4 Amps, 30 Watts. | |
| 1:35 am | 80 V @ 0.39 Amps, 31.2 Watts. | Closed briefly due to overmod and de-struck arc. |
| 1:45 am | Back on! | Relaying 160 metres to 3ZGJ again to provide diversty. |
| 2:00 am | 60 V @ 0.4 Amps, 24 Watts. | Closed for an hour's break at 2:15 am. |
| 3:45 am | Back on! | 'Blank carrier' (unmodulated lamp) on warm-up. |
| 4:10 am | 80 V @ 0.4 Amps, 32 Watts. | Relaying 160 metre 'classical music' show (ahem!) |
| 4:15 am | CLOSE DOWN FOR SLEEP! |
PHOTOMULTIPLIER RECEIVERS - 1975/76
The receivers used in this system were also designed around components obtainable from disposals sources. Photomultipliers are superbly sensitive, and not nearly so fragile or difficult to set up as some so-called experts suggest. They require a smooth 1000 volt supply at about 5 or 10 mA - easily arranged with an old valve radio transformer working into a voltage doubler. The hand-held photomultiplier receiver was a rather hazardous device when you were manipulating it at night from the top of an earthed metal ladder! Particularly so when the 1000 volt supply had 8 µF of oil-filled block reservoir capacitor behind it (ugh!) and was fed to the receiver by flat 240 volt twin lead flex. It became even more dangerous when rain was falling! In my youth I had scant appreciation of my own mortality. Few teenagers ever do!


The old disposals photomultipliers typified by the 931A had virtually no response to red light, so they couldn't be used with LEDs or HeNe lasers. More recent photomultipliers with gallium arsenide photocathodes have good red sensitivity, but at prices exceeding $1000 they're out of my league.

Overall results with this cumbersome link system were remarkably good. Considering the potential theoretical problems of thermal lag and ionisation time, the mercury lamp's limit of 50% modulation at 10 KHz was quite usable, entirely acceptable for direct amplitude modulation at audio frequencies. Piles of signal were available. The output was terrific. At night, with one's eyes dark-adapted, you needed to protect your eyes with dark glasses or welding goggles. But data and narrow band video modulation revealed wild phase shifts above 5KHz. I suspect that the mercury plasma, when thermally modulated at an audio rate, was trying to expand and shrink against its quartz tube housing with each modu1ation cycle, interacting with the arc cavity in a complex series of acoustic resonances. Indeed, one could actually hear the modulation coming from the arc, particularly at high audio frequencies, by putting your ear down near the quartz bulb. One undesirable side effect was that certain modulation frequencies near the arc cavity's acoustic resonance extinguished the discharge. Sibilant sounds were especially risky. In answer to a question about the modulator I remember saying over the link "it's working perfectly!" At the other end, all John heard was "it's working perf - CLICK". The arc extinguished itself, right on cue!
Over the four months up to April 1976 the system was in operation up to six nights a week between VK3ZGJ and my QTH at Camberwell Junction. It was unaffected by all but the heaviest fogs and rain showers. On very hot nights, low frequency noise and fast flutter fade were evident, but hardly ever obtrusive. The effect was due to hot air cells rising from the warm ground into the cooler night sky. This caused a heat shimmer, with a consequent scintillation of the received light. We considered the use of FM subcarrier modulation to clip off the scintillation on the received light modulation, but the mercury arc lamp hadn't a sufficiently fast rise time to support this. Subsequently I found that the use of longer wavelengths - red or infra-red light - greatly reduce scintillation. FM technique may be desirable for links of over five miles range, but for shorter distances amplitude modulation's greater available base bandwidth probably makes it the preferred mode.
The old mercury arc/ photomultiplier system may have had considerable long range potential but we never had the opportunity to test it. The heavy power demands of the terminal equipment demanded a mains supply at both ends of the link. We never successfully tried DX away from our respective homes and two miles (3.5 km) was the greatest distance tested. We could sometimes achieve 45 dB sig/noise over that distance.
Communication ceased during the day owing to the scattered blue light of the sky. The photomultipliers were saturated by it. Interference filters could have been used to extract a dominant spectral emission line of the mercury discharge from the general background radiation, but I was unable to obtain one until the 1980s. They're expensive and suitable only for parallel rays of light. There are better ways of achieving good sig/noise during the day, using a monochromatic source and a wavelength away from the peak output of the sun.
However, I would power up the photomultiplier with a relatively low voltage - about 500 volts - just before sunset, to catch John's first distinct words as the ambient light faded. On hot evenings, the signal was always lower than expected. I couldn't account for this, until one evening I climbed the ladder to adjust the receiver and noticed a strange smell. The receiver's optical cavity was full of smoke! I had forgotten that John was almost directly West of me, and as the summer solstice passed, the position at which the sun set on the horizon was moving North on successive evenings. That night, it was setting directly behind John's house - so my 13 cm receiver lens was focussing the sun's image on the back of the receiver housing, which was made of black-painted particle board. Awk! We were so lucky not to have set fire to everything - but I kept the incident a secret from my folks. Things that my parents didn't know couldn't hurt them! With some embarrassment, I fitted the optics with a removable lens cover.
One potential use of the mercury arc transmitter that LED's, Luxeons and most low power lasers probably could never rival lies in non-line-of-sight (NLOS) linking by reflection off clouds. Some years ago I acquired a pair of 1 metre diameter searchlight mirrors to try the idea. The mercury arc can be mounted in one, photomultiplier in the other, both tracking the same cloud. Street lights today use the same type of mercury discharge as the modulated source, so that 100 Hz hum background plus harmonics would be unavoidable in an urban environment. I've yet to try the idea, as direct linking is undoubtedly more reliable and efficient, and has therefore been my main line of research.
OPTICAL COMMUNICATION'S 'COMIC CUTS' - 1976
Almost as soon as the optical link between John VK3ZGJ and myself was established, he relayed me to 144 MHz on the cross-band discussions radiated by VK3AML on 160 metres, several times each week. For all practical purposes, I was on an intercom in 3ZGJ's shack, and there was no law against that. Legally and technically, I was a supervised (ie, pull the plug out if he misbehaves) visitor who just happened to be present near 3ZGJ's microphone!
Through the early part of 1976, there were many cross-band contacts on 160 metres with me "on lightbeam" which seemed to add technical novelty to the proceedings. The discussions were absolutely open to any subject, provided that the due decorum of the medium was maintained. On some occasions, it wasn't! One night we somehow drifted onto the subject of funerals, morticians, Egyptian mummification and the 'dear departed'. This contact, with many others from that 'light beam link' period, was logged on audio tape by Tony VK3AML and by other listeners, and extracts can be downloaded from Tony's 'bluehaze' web site ("Multimedia Page 3") as "Death By Light Beam" (mp3).
Over time, the content varied from creditable technical depth to immature ratbag ramblings. I never kept track of all the log tapes, and I never know when bits of it will re-emerge on the weekly replays that have been maintained by VK3ASE - and others on Internet - haunting me ever since...
Most of our problems with the old gas discharge lamp system were more comical than theoretical, and most were completely unforseen. Moths, for instance, were irresistibly attracted to the ultra-violet output of the mercury arc. Bogong moths, big Emperor Gum moths, Christmas beetles, flying ants - the full box and dice! They swarmed the transmitter arc on hot nights, attenuating the beam flux and suiciding against the hot lamp. Every couple of hours I'd have to scrape their smouldering bodies out of the lamp reflector. Their fluttering wings modulated the transmitted beam, and the light they reflected formed a feedback path into the adjacent, continuously running, duplex optical receiver. If I had my transmitter microphone operating near the monitor loudspeaker, the presence of an Emperor Gum moth (which, I should explain for non-locals, are the size of a small dinner plate) was signalled by ear-splitting feedback warbling at their wing-beat frequency of about 15 Hz. This was often followed by our neighbours lobbing pebbles onto the tin roof of my radio shack to get me to 'turn my bloody noise down'! As we frequently operated between midnight and 3 a.m., I can hardly blame them. We called the effect "moth-back" .
Another unexpected fault took ages to detect. After a seemingly harmless rainstorm, the mercury lamps would cease to function. The lamp itself seemed perfectly OK, even on close examination. We finally found that water had drained down the bulb into to lamp's Edison screw socket. There, the DC bias set up an electroplating action, dissolving the wires connecting the base with the bulb. The problem was quite simply solved by mounting the lamps upside-down.
Our line-of-sight path, skimming the tops of suburban Hawthorn's buildings, garden foliage and power lines made continuous contact between the terminal stations the subject of continuing concern - and some unusual QRM. The situation worsened in windy weather as there was a tall gum tree very close the the optical path, in a garden about a half mile distant from 3ZGJ. In a Northerly wind this massive nuisance had branches that would sway back and forth into the beam path, slicing words and phrases out of our conversations. Eventually the damn thing became such a drag that we made half-serious plans about wearing balaclavas on an illicit midnight raid on its owner's garden with ropes and a pruning saw! Another suggestion involved borrowing a surgical cutting laser from Melbourne University's medical faculty, and trimming the foliage from a distance - the distance of 3ZGJ's shack veranda, in fact. A few years afterward, I took a look at the same path with binoculars, and found that the nuisance tree, by then with several others, had grown to completely block the optical path. L.O.S. paths can be impermanent! The growing of tall trees in suburban streets and gardens is now much more fashionable than it was thirty years ago. It may be unfortunate for optical communication enthusiasts, but it provides an aesthetically pleasing way of supporting h.f. wire antennas. (I'm humming a chorus of Monty Python's "Always look on the bright side of life" while I'm typing this)!
The colour of the mercury lamp also provided problems. It looked the same as any other street light in Melbourne. One night, we drove up to One Tree Hill in the Dandenong Ranges outside Melbourne in an unroadworthy Austin with the portable LDR receiver, optimistically hoping to set a distance record. At the top of the old lookout tower there (removed in 1981) we looked down on the lights of Melbourne, which were as numerous as the grains of sand on a beach. With John's optical receiver we searched the various lights visible in the general direction of Hawthorn for about half an hour, vainly trying to hear audio modulation among the grunts and farts of mains-fed mercury street lights. We never did find our audio-modulated light. It had probably extinguished itself on a modulation peak. The police, however, did find us, and we had a tense time being frisked and trying to explain our reasons for being there at night, without any lights, in a battered car with headphones on and looking frustrated. They actually searched our car for dope. Can we really have given that impression?! In latter years I've often had reason to thank providence for the distinctive red colour of high output visual LED's and Luxeons.
The narrow beam-width of the optical link system, and particularly of the receivers, made alignment critical. Most of the terminal gear was in a tree outside my radio shack, about 25 feet above the ground. When the wind blew, the beam alignment wobbled all over the place. So we bolted planks of wood to the trunk and branches, and manipulated these with ropes passing into the shack. With a bit of luck this bent the tree in the desired direction. If you were unlucky, and pulled too hard, you broke the branch supporting the terminal gear. On windy nights, you felt like a puppeteer manipulating a marionette possessed by the Devil. Meanwhile you'd catch occasional spoken sentences from the swinging receiver beam as it occasionally hit its target.
The final indignity came when a possum took a liking to the warmth of my tree-mounted arc lamp, and urinated (or defecated - I never determined which) on it. It was too much for the white-hot quartz tube. Wham! Up went the possum, the arc, part of the tree, the power supply, the house fuse and my peace of mind. The neighbours weren't too amused, either. That tree actually grew from their side of our boundary fence!
TERMINATION OF THE 3ZJG - CHRIS LONG TESTS, MAY 1976
My collaboration with VK3ZGJ was brief, lasting only five months up to May 1976. The niggles began when my optical transmissions were rebroadcast with severe treble loss, for which I, initially, took the blame. The fault is still audible on the surviving audio log tapes. I'd taken care to reduce my maximum modulation, and to apply compensatory treble boost to keep my response flat. Our mercury arc lamps had no phosphor coating. Phosphor lag was not the problem. Local monitoring of my output with the old OCP71 receiver revealed no treble loss, so ionisation lag wasn't the cause. Could the loss have been occurring in the intervening atmosphere, or was it possibly in John's patching and amplifier system? When I suggested the latter, I'm afraid that John took offence at the suggestion.
The proof of the problem's source came almost thirty years later, when CoolEditPro computer software provided a spectral analysis of the surviving open reel audio log tapes, recorded by VK3AML from the 2 metre transmissions off-air. Our photomultipliers produced a flat noise spectrum across the whole audible frequency range. It is now easy to show that the photomultiplier receiver's noise in those tapes has the same treble rolloff as was applied to my audio.
Disagreements compounded from there. John and I had the usual youthful niggles about who should take credit for what in building the system - ego triumphant, hormones rampant and maturity yet to blossom.
In latter years I've noted a tendency of intelligent folk, and especially of young intelligent folk, to be lacking in contrition, to be excessively inflexible in assumptions of personal correctness. I find that this applies particularly to engineering types, who have to argue their ideas through to practical realisation in the workplace. Sometimes, just sometimes, the ability to say 'I was wrong' is more valuable than the ability to be right. Perhaps the point at which we become unsure is the most valuable, because then we have to experiment or to gather information until we ascertain the correct way forward. Looking back, as I'm doing here, I can't help but be amazed at how often I was wrong in my technical assumptions - but it was all a learning process. I think it's now called 'the J curve'!
[ Editor's note: Many of us were guilty of that back then. But your somewhat muffled audio via John didn't really worry those of us who were listening in.
Sure - it would have been nice if the frequency response had been flat from 20Hz to 15KHz along the entire link (ie: broadcast quality), but what the heck? The fact that we were hearing you loud and clear via a 2 mile full-duplex optical link into John, then down into Elsternwick via the VHF link, and finally out to the rest of Oz via MF (160 metres) was quite fascinating and entertaining! Both of you still get 10 out of 10 as far as I'm concerned. All these things are just super-interesting experiments and stepping stones to better things in the end! (Tony, VK3AML) ]
Ultimately, gaining an insight into human behaviour may be the most valuable lesson of all.
I can only hope that I've been fair and equitable in recording the individual and collaborative contributions here. My interests in mid-1976 turned to the establishment of Melbourne's community radio station 3CR and - (ahem) - to chasing girls. Or rather, one girl in particular at 3CR... The optical comms equipment was stored away. Experiments lapsed for a decade, to be revived in 1987 when Mike Groth (now VK7MJ) published "Photophones Revisited" in "Amateur Radio" magazine - refer:
http://www.bluehaze.com.au/modlight/GrothArticle1.htm
The photographs of the arc system shown here were taken by Peter Wolfenden (VK3KAU) in October 1978. The system is seen essentially as it was in use with VK3ZGJ in 1976. Only the arc lamp had been modified, with its original frosted outer bulb removed (actually smashed carefully with a mallet) and replaced with a clear glass jar. The frosted bulb was unnecessary to the arc's operation, its main purpose being to raise the temperature of the inner quartz discharge tube by insulating it from the outside air. For collimation, a clear-walled glass vessel was desirable, with as little optical diffusion as possible.

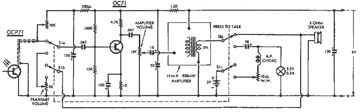
I wrote "Optical Communication for the Amateur", reproduced elsewhere on this website, during the latter half of 1978, based on the foregoing field tests with the arc/photomultiplier system.
MAKING IT LEGAL
To be reasonably sure of my legal status in the context of publication, I applied for a permit to use the arc communication system from the Postal and Telecommunication Department's Regulatory and Licensing Section in 1978. Their eventual reply is reproduced below, and was received a few weeks after the submission of my manuscript on the subject to Bruce Bathols, the editor of 'Amateur Radio' magazine:

This was obtained with considerable difficulty. P&T were quite willing to grant the permit, irrespective of my amateur radio license status or lack of it, but many of the clerical staff in the Section were unsure of the legal need for it. My insistence, on the basis of my imminent publication on the subject in 'Amateur Radio' magazine, and the resultant precedent, created an interesting academic situation. Eventually I had to submit a full circuit diagram of the system, which was not to be modified without the Department being informed! It was made clear that they were granting a permit for the usage of this equipment, and not licensing me as an operator in the amateur radio sense. The permit that I received (above) may have been a unique and unprecedented document. After 1983, with the enactment of a new Australian Radio Communications Act, these permits apparently were no longer necessary. Otherwise, by the strict letter of the law, they would have had to license every infra-red remote control for every TV, video player and computer IR LAN wireless device in the country. Communications devices using non-coherent sources of radiation are excluded from the new licensing Act, by definition. Nevertheless, in 1979 I didn't want to push my luck by publishing too much about my earlier experiments. The details are fully revealed here for the first time, up to 37 years after the events recorded.
I sincerely hope that these experiments don't reflect too badly on the misspent youths of many of us. We were only following the dictates of youthful curiosity.
I can assure you it was fun, and it still is! Try it for yourself... Or better still, if you live in Australia, join our little group of experimenters... You can e-mail the author on:
------------------------------------
Last update to this page: Tues May 28, 2005